后记:划去的部分是一个BUG…效率也得到了解决,启动也用脉冲定位了。
自己慢慢开始做四轴…从0开始…摸索了差不多两个月终于把电调做得像点样子…
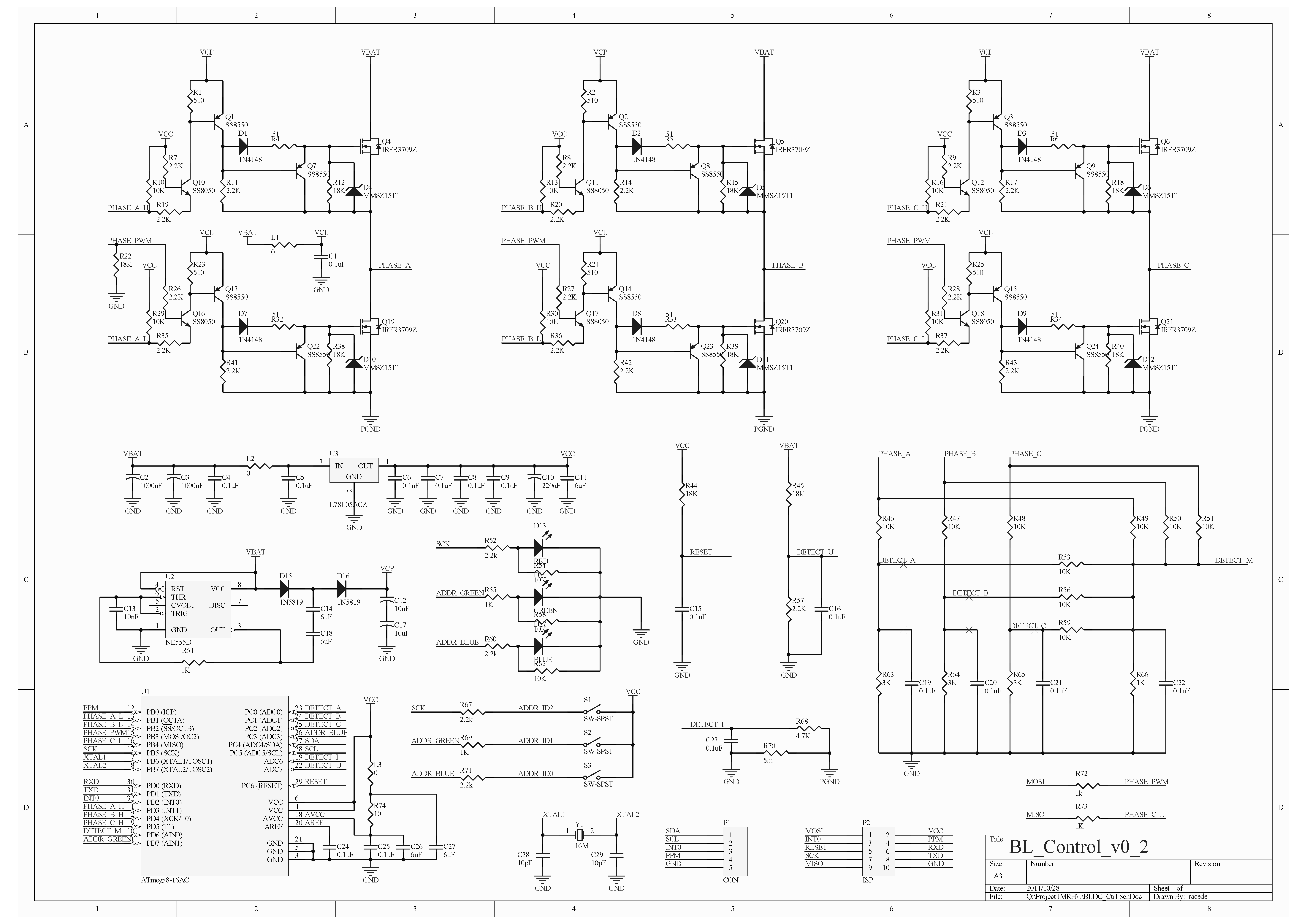
一开始我是参照MK方案, MK用的硬件滤波异步检测…这样做MCU比较闲, 但是缺点很明显…滤波做成了比较大的相移…在较高转速的时候换相滞后明显, 用示波器观察在高转速的时候已经看不出”梯形”了…最后还是咬牙做同步检测的.
这个电调M8的TIMER2的产生32KHz的PWM(24K以下耳朵受不了…), MOS管用的IRFR3709Z, MOS驱动参照考了ourdev网友vivalite 的555分立元件方案, 效果很好在1us内栅极电压就上升到供给电压的95%, 另外我自己小改了一下使MOS驱动带PWM MUX功能省下了TIMER1. 其他不多说了~~
缺点是程序效率比较差…在MCU运行在8M时最小的换相周期为 180us 小于这个周期会骤停(电机空转的时候会发生 带桨时不会)…启动算法未完善, 非常笨拙….用的是加电1秒定相的方法…
现在电调基本完成, 但并不是成品, 细节部分未完成, 成品还需要配合飞控的通信控制, 现在飞控还没有着手做所以通信控制的部分暂时用串口代替, 但是主要程序已经完成…除了启动比较笨拙以外, 效果还算可以.
演示视频
源码与原理图:BL_Control_v0.2


我也在做无刷电调,可是遇到了麻烦。能否交流一下。qq526195537